关于我们
产品介绍
新闻中心
技术参数
资料下载
产品应用
联系我们
行星减速机
精密行星减速机
P系列行星齿轮减速机
丝杆升降机
SWL/QWL蜗轮丝杆升降机
JWM/JWB梯形滚珠丝杆升降机
TRSS/JRSS蜗轮蜗杆升降机
SJA/SJB螺旋滚珠丝杆升降机
HK/MA螺旋丝杠升降机
SEW通用型号减速机
K系列螺旋锥齿轮减速机
S系列斜齿_蜗轮蜗杆减速机
F系列平行轴斜齿轮减速机
R系列斜齿轮硬齿面减速机
蜗轮蜗杆减速机
NMRV系列蜗轮蜗杆减速机
WP系列蜗轮蜗杆减速机
WJ系列蜗轮减速机
VF蜗轮蜗杆减速机
摆线针轮减速机
X.B摆线针轮减速机
8000系列摆线针轮减速机
WB微型摆线针轮减速机
齿轮转向箱
T系列螺旋伞齿轮转向箱
ARA系列螺旋锥齿轮转向器
HD螺旋锥齿轮转向箱
无级调速变速机
MB行星摩擦式机械无级变速器
UD 机械无级变速机
JWB无级调速减速机
减速电机
小齿轮减速电机
申克称专用减速机
SBD申克称专用减速机
齿轮箱
H、B系列硬齿面齿轮减速机
非标齿轮箱
三相异步电动机
YEJ2电磁制动三相异步电动机
YVP2变频调速三相异步电动机
圆柱蜗杆减速机
CW圆弧齿蜗杆减速机
WH、WD、WS圆柱蜗杆减速机
硬齿面圆柱齿轮减速机
ZDY/ZLY/ZSY/ZFY减速机
DCY/DBY/DFY减速机
NGW系列行星齿轮减速器
QJ系列起重机减速机
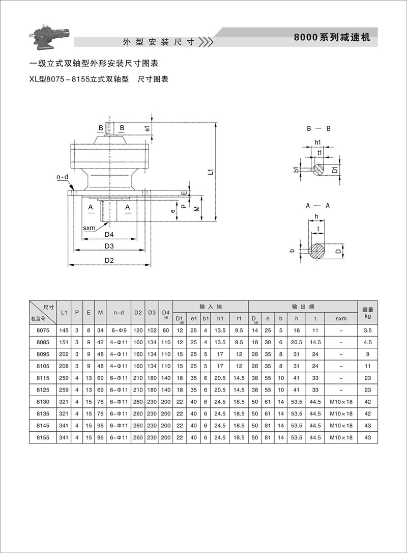
网站首页> 技术参数> 8000系列针轮减速机外型安装尺寸(一级卧式双轴型)
8000系列针轮减速机外型安装尺寸(一级卧式双轴型)
CopyRight © 锐琛传动设备(上海)有限公司 版权所有 ICP备案号:
沪ICP备15019276号-1
厂址:上海金山区兴塔科技园区创业路333号 电话:+86-021-67966691 传真:+86-021-67966695
关键词:
行星减速机
,
丝杆升降机
,
SEW通用型号减速机
,
蜗轮蜗杆减速机
,
摆线针轮减速机
,
齿轮转向箱
,
无级调速变速机
,
减速电机
,
申克称专用减速机
,
齿轮箱
,
三相异步电动机
,
圆柱蜗杆减速机
,
硬齿面圆柱齿轮减速机
, 锐琛减速机等