精密行星减速机
 P系列行星齿轮减速机
 SWL/QWL蜗轮丝杆升降机
 JWM/JWB梯形滚珠丝杆升降机
 TRSS/JRSS蜗轮蜗杆升降机
 SJA/SJB螺旋滚珠丝杆升降机
 HK/MA螺旋丝杠升降机
 K系列螺旋锥齿轮减速机
 S系列斜齿_蜗轮蜗杆减速机
 F系列平行轴斜齿轮减速机
 R系列斜齿轮硬齿面减速机
 NMRV系列蜗轮蜗杆减速机
 WP系列蜗轮蜗杆减速机
 WJ系列蜗轮减速机
 VF蜗轮蜗杆减速机
 X.B摆线针轮减速机
 8000系列摆线针轮减速机
 WB微型摆线针轮减速机
 T系列螺旋伞齿轮转向箱
 ARA系列螺旋锥齿轮转向器
 HD螺旋锥齿轮转向箱
 MB行星摩擦式机械无级变速器
 UD 机械无级变速机
 JWB无级调速减速机
 小齿轮减速电机
 SBD申克称专用减速机
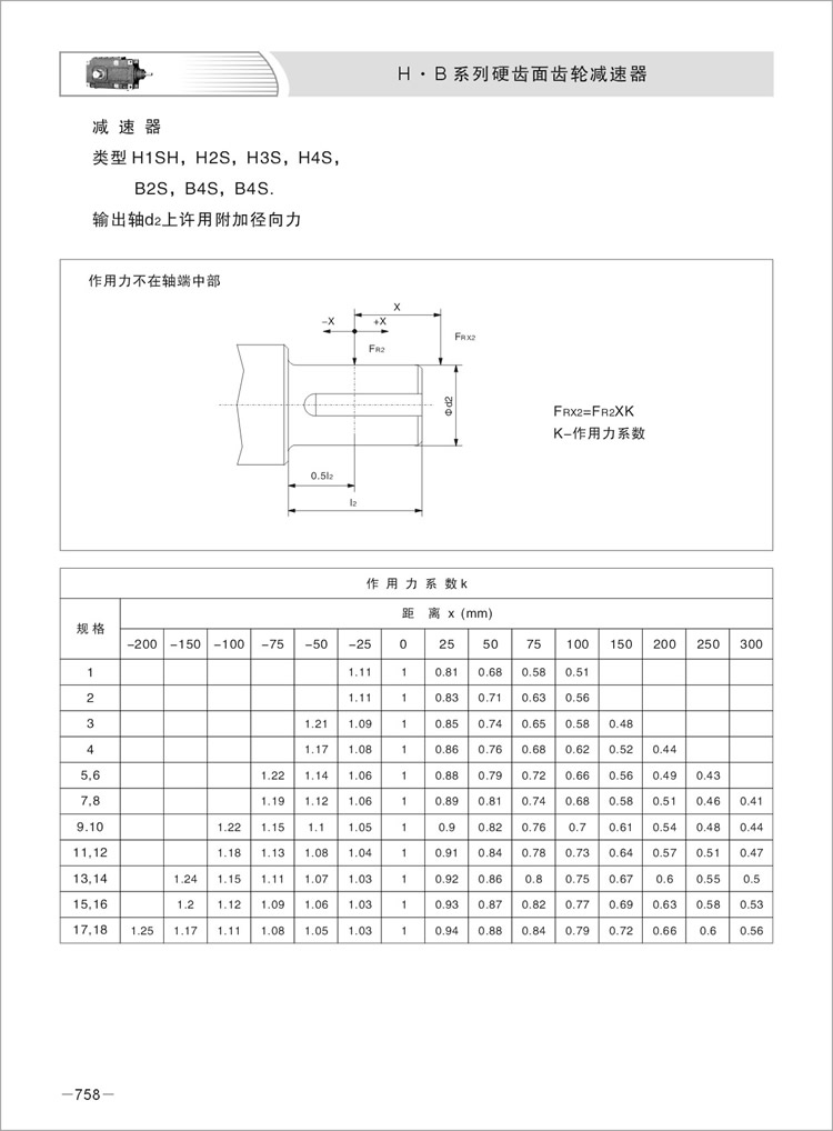
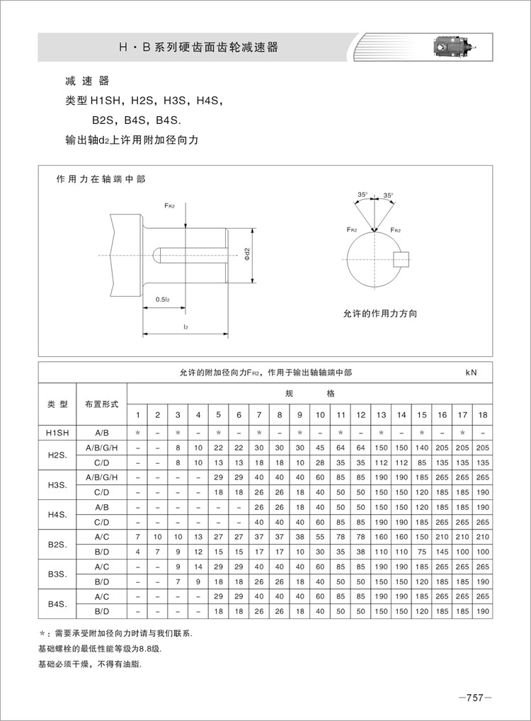
 H、B系列硬齿面齿轮减速机
 非标齿轮箱
 YEJ2电磁制动三相异步电动机
 YVP2变频调速三相异步电动机
 CW圆弧齿蜗杆减速机
 WH、WD、WS圆柱蜗杆减速机
 ZDY/ZLY/ZSY/ZFY减速机
 DCY/DBY/DFY减速机
 NGW系列行星齿轮减速器
 QJ系列起重机减速机
 
  当前位置:首页 >> 产品中心 >> 锐琛传动设备(上海)有限公司专业生产制造和销售减速机及加工定制非标减速机,等先进的机械设备和成套产品HB系列硬齿面齿轮减速机

锐琛传动设备(上海)有限公司专业生产制造和销售减速机及加工定制非标减速机,等先进的机械设备和成套产品HB系列硬齿面齿轮减速机


锐琛传动HB系列标准工业齿轮箱特点

    1. HB大功率齿轮减速机采用通用设计方案,可按客户需求变型为行业专用的非标齿轮箱。

    2.实现平行轴、直交轴、立式、卧式通用箱体,零部件种类减少,规格型号增加。

    3.大功率齿轮减速机采用吸音箱体结构、较大的箱体表面积和大风扇、圆柱齿轮和螺旋锥齿轮均采用先进的磨齿工艺,使整机的温升、噪声降低、运转的可靠性得到提高,传递功率增大。

    4.输入方式:电机联接法兰、轴输入。

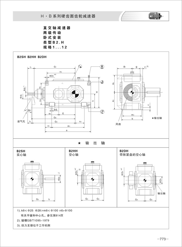
    5.输出方式:带平键的实心轴、带平键的空心轴、胀紧盘联结的空心轴、花键联结的空心轴、花键联结的实心轴和法兰联结的实心轴。

    6.减速器安装方式:卧式、立式、摆动底座式、扭力臂式。

    7.HB系列产品有326型规格,减速传动级数有14级,速比1.25450;和我厂RKS系列减速电机组合得到更大的速比。

技术参数:

   1.速比范围 1.25-450 

   2.扭矩范围 2.6-900kN 

   3.功率范围 4-5000kW

HB大功率齿轮箱部分型号:

   B2SH04 B2SH05 B2SH06 B2SH07 B2SH08 B2SH09 B2B2SH10 B2SH11 B2SH12 B2SH13 B2SH14 B2SH15 B2SH16 B2SH17 B2SH18 B2SH4 B2SH5 B2SH6 B2SH7 B2SH8 B2SH9 B3SH04 B3SH05 B3SH06 B3SH07 B3SH08 B3SH09 B3SH10 B3SH11 B3SH12 B3SH13 B3SH14 B3SH15 B3SH16 B3SH17 B3SH18 B3SH19 B3SH20 B3SH21 B3SH22 B3SH23 B3SH24 B3SH25 B3SH26 B3SH4 B3SH5 B3SH6 B3SH7 B3SH8 B3SH9 B4SH04 B4SH05 B4SH06 B4SH07 B4SH08 B4SH09 B4SH10 B4SH11 B4SH12 B4SH13 B4SH14 B4SH15 B4SH16 B4SH17 B4SH18 B4SH19 B4SH20 B4SH21 B4SH22 B4SH23 B4SH24 B4SH25 B4SH26

   

   H1SH03 H1SH05 H1SH07 H1SH09 H1SH11 H1SH13 H1SH15 H1SH17 H1SH19 H2SH04 H2SH05 H2SH06 H2SH07 H2SH08 H2SH09 H2SH10 H2SH11 H2SH12 H2SH13 H2SH14 H2SH15 H2SH16 H2SH17 H2SH18 H2SH19 H2SH20 H2SH21 H2SH22 H2SH23 H2SH24 H2SH25 H2SH26 H3SH04 H3SH05 H3SH06 H3SH07 H3SH08 H3SH09 H3SH10 H3SH11 H3SH12 H3SH13 H3SH14 H3SH15 H3SH16 H3SH17 H3SH18 H3SH19 H3SH20 H3SH21 H3SH22 H3SH23 H3SH24 H3SH25 H3SH26 H4SH07 H4SH08 H4SH09 H4SH10 H4SH11 H4SH12 H4SH13 H4SH14 H4SH15 H4SH16 H4SH17 H4SH18 H4SH19 H4SH20 H4SH21 H4SH22 H4SH23 H4SH24 H4SH25 H4SH26

销售部电话:021-67966691

     真:021-67966695

Q   Q  号:2728077822

     箱:2728077822@qq.com

销售  主管:18217276386(杨喻钦)

          :18217277368(章志勇)

公司  网址:http://www.shrccd.com



欢迎致电:锐琛传动设备(上海)有限公司,服务热线:+86-021-67966691

 

详细选型参数及尺寸参数:

 
 
 
 
CopyRight © 锐琛传动设备(上海)有限公司 版权所有 ICP备案号:沪ICP备15019276号-1
厂址:上海金山区兴塔科技园区创业路333号    电话:+86-021-67966691    传真:+86-021-67966695